Bộ nguồn OMRON S8VK-C06024
Bộ nguồn là một thiết bị điện dùng để cung cấp năng lượng điện cho phụ tải điện. Chức năng cơ bản của nguồn cung cấp là chuyển đổi nguồn dòng điện từ sang điện áp, tần số và dòng điện chính xác để cấp nguồn cho tải. Vì vậy, nguồn cung cấp năng lượng đôi lúc được gọi là bộ chuyển đổi năng lượng điện. Một số bộ nguồn có thể là thiết bị độc lập riêng biệt, trong khi một số khác phải được tích hợp vào các thiết bị tải mà bộ nguồn cung cấp năng lượng. Các ví dụ này bao gồm các bộ nguồn được tìm thấy trong các thiết bị điện tử tiêu dùng và trong máy tính để bàn. Ngoài ra, các chức năng khác mà nguồn cung cấp năng lượng có thể thực hiện bao gồm tắt dòng điện trong trường hợp có sự cố về điện, giới hạn dòng điện được tải bởi mức an toàn, điều hòa năng lượng để ngăn điện áp tăng vọt trên đầu vào đạt đến tải hoặc nhiễu điện tử, cấp nguồn với lưu trữ năng lượng và hiệu chỉnh hệ số để nó có thể tiếp tục cung cấp năng lượng cho tải trong trường hợp có sự gián đoạn tạm thời trong nguồn điện (nguồn cung cấp điện liên tục).
Tất cả các bộ nguồn đều phải có kết nối đầu vào nguồn, nhận năng lượng dưới dạng dòng điện từ một hoặc nhiều kết nối đầu ra nguồn cung cấp dòng cho tải và một nguồn. Các nguồn năng lượng có thể được cung cấp từ các lưới điện, chẳng hạn như ổ cắm điện, thiết bị lưu trữ năng lượng các thiết bị như pin nhiên liệu hoặc pin, điện xoay chiều hoặc máy phát điện, một nguồn cung cấp điện khác hoặc thiết bị chuyển đổi năng lượng mặt trời. Đầu ra và đầu vào của bộ nguồn thường sẽ là các kết nối mạch cứng, mặc dù một số bộ nguồn có thể dùng truyền năng lượng không dây cung cấp năng lượng cho thiết bị tải mà không cần dùng kết nối có dây. Một số nguồn cung cấp điện cũng có các loại đầu ra và đầu vào khác, với các chức năng như kiểm soát và giám sát từ bên ngoài.
Bộ nguồn OMRON S8VK-C06024 cho hiệu quả tuyệt vời được các công ty lớn trong và ngoài nước quan tâm sử dụng. S8VK-C06024 còn nằm trong top 5 loại Bộ nguồn được ứng dụng phổ biến trong các ngành công nghiệp.
Top 5 hãng sản xuất Bộ nguồn được ứng dụng phổ biến trong các ngành công nghiệp
-
Bộ nguồn OMRON
-
Bộ nguồn MFW
-
Bộ nguồn MEANWELL
-
Bộ nguồn SUNWO
-
Bộ nguồn SEASONIC
Tổng hợp các sản phẩm công ty chúng tôi có cung cấp
-
Bộ nguồn: OMRON, MFW, MEANWELL, SUNWO, SEASONIC,…
-
Công tắc hành trình: OMRON, CHINT, HANYOUNG, SCHNEIDER, KGAUTO,….
-
Ben hơi (xi lanh): SKP, AIRTAC,…
-
Van điện từ: như AIRTAC, CKD, SMC…
-
Bạc đạn: SKF, KOYO, NSK, ASAHI,…
-
Cảm biến: như OPTEX, OMRON, PANASONIC, AIRTAC, ROKO, MITG, BANNER, FOTEK, SMC, ETP, F&C
-
Bơm màng: như HUSKY, BML,GODO, WILDEN…
-
Motor các loại
-
CB, MCB, MCCB, biến trợ ,biến áp, công tắc, nút nhấn, máy biến tần…
-
Màn hình HITACHI
-
Quạt tản nhiệt…
Công ty chúng tôi chuyên cung cấp các mặt hàng cho các nhà máy sản xuất, xí nghiệp cũng như các công ty thương mại sỉ và lẻ.
Thông tin sản phẩm
- Model: S8VK-C06024
- Dòng: S8VK-C
- Công suất: 60 W
- Điện áp đầu vào là 100-240 VAC/90-350VDC
- Số pha: 1 pha
- Điện áp đầu ra: 24 V
- Dòng định mức đầu ra: 2.5 A
- Hiệu suất: 88% (230VAC)
- Dòng định mức đầu vào: 1A (115VAC), 0.7A (230VAC)
- Tần số: 50/60 Hz (47-450 Hz)
- Cường độ dòng điện đầu vào: 0.19 mA (115VAC), 0.34 mA (230VAC)
- Phạm vi điều chỉnh điện áp: –10% đến 15%
- Ngõ ra ảnh hưởng bởi nhiệt độ: 0.05%/°C max.
- Bảo vệ quá tải: 121% ~ 160% dòng định mức
- Chức năng mắc song song: Có
- Thiết bị cho phép mắc nối tiếp 2 bộ nguồn (gắn thêm diode ngoài)
- Số nhánh đầu ra 1
- Điện áp cung cấp định mức ở AC 50 Hz là 100-240 V
- Điện áp cung cấp cho phép AC là 85-264 V
- Điện áp cung cấp cho phép DC là 90-350 V
- Cách ly ngõ vào /ra là 100 MΩ min. với điện áp 500VDC
- Thời gian khởi động đầu ra là 530 ms (115VAC), 410ms (230VAC)
- Thời gian giữ đầu ra là 24 ms (115VAC), 117 ms (230VAC)
- Chỉ báo đầu ra: LED xanh lá
- Điện trở cách điện: 100 MΩ
- Cấp độ bảo vệ: IP20
- Nhiệt độ môi trường: -25-60°C
- Độ ẩm môi trường: 20%-90%RH
- Trọng lượng: 260 g
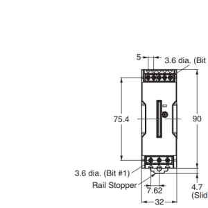
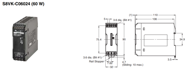
Kích thước Bộ nguồn S8VK-C06024
Công ty TNHH MTV Lợi Lợi Đạt chuyên cung cấp các thiết bị Bộ nguồn với cam kết
-Hàng có sẵn tại kho, giao hàng nhanh chóng vì biết thời gian là quý báu của khách hàng cũng như nhu cầu sử dụng của quý khách.
-Giao đúng mặt hàng, đúng số lượng hàng hóa theo cầu của khách hàng .
-Chúng tôi sẽ hỗ trợ đổi hàng lỗi một cách nhanh chóng cho quý khách hàng.
-Hàng được kiểm tra nghiêm ngặt đạt tiêu chuẩn quốc tế trước khi giao.
-Giá thành hợp lý đi kèm với sản phẩm chất lượng cao, phù hợp với nhu cầu của mọi khách hàng.
-Đội ngũ nhân viên phản hồi nhanh chóng giải đáp những thắc mắc cũng như báo giá cho khách hàng nhanh nhất có thể.
Khi các bạn chưa biết mình cần lựa chọn Bộ nguồn S8VK-C06024 hay không xin hãy liên hệ với chúng tôi. Chúng tôi luôn đồng hành và tin cậy cùng bạn. Thêm vào đó model hàng hóa của chúng tôi hầu như 80% là có sẵn trong kho. Giao hàng thần tốc, hoàn toàn miễn cước phí giao hàng ở tỉnh Đồng Nai. Hỗ trợ giao hàng nhanh chóng ở các khu vực lân cận.
Quý khách vui lòng liên hệ thông tin bên dưới để được nhận báo giá tốt nhất.
CÔNG TY TNHH MTV LỢI LỢI ĐẠT
Địa chỉ: Đồng Nai/ TP.Hồ Chí Minh
Điện Thoại- Zalo: 0966 057 095
Email: loiloidat@yahoo.com
Websize: thietbidienloiloidat.com
Thời gian làm việc: Giờ hành chính từ Thứ 2 – Thứ 7 / 8:00 AM – 17:00 PM























Đánh giá
Chưa có đánh giá nào.